효성모터 부착형

  • 고품질 저소음 기어드모터
  • NK PLUS MOTOR (남강 자사모터), 효성모터, 하이젠모터 적용
  • IEC 플랜지, 라인파워 타입 등으로 다양한 활용 가능
  • 고강성. 고토크
  • 빠른 납기 및 철저한 AS
  • 뛰어난 효율 및 내구성
번호 제품명 모델명 감속비 용량 2D CAD PDF 3D CAD 비고
1 0.4KW NH105 5~200 1/2HP 2D CAD PDF 수평
2 0.4KW NH115 5~120 1/2HP 2D CAD PDF 수평
3 0.4KW NV115+NH153 150~300 1/2HP 2D CAD PDF 수평
4 0.4KW NV115+NH172 400~1200 1/2HP 2D CAD PDF 수평
5 0.4KW NH105C 150~1200 1/2HP 2D CAD PDF 수평
6 0.4KW NV105 5~200 1/2HP 2D CAD PDF 수직
7 0.4KW NV115 5~120 1/2HP 2D CAD PDF 수직
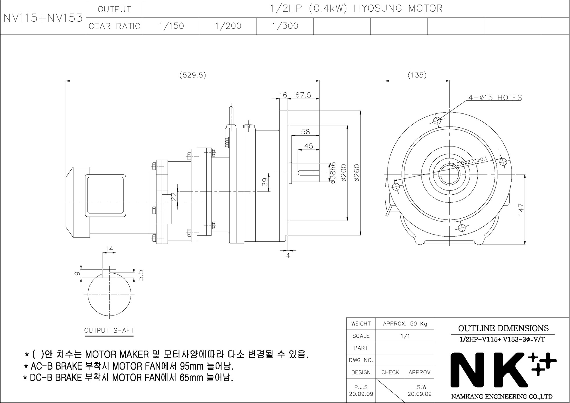
8 0.4KW NV115+NV153 150~300 1/2HP 2D CAD PDF 수직
9 0.4KW NV115+NV172 400~1200 1/2HP 2D CAD PDF 수직
10 0.4KW NV105C 150~1200 1/2HP 2D CAD PDF 수직
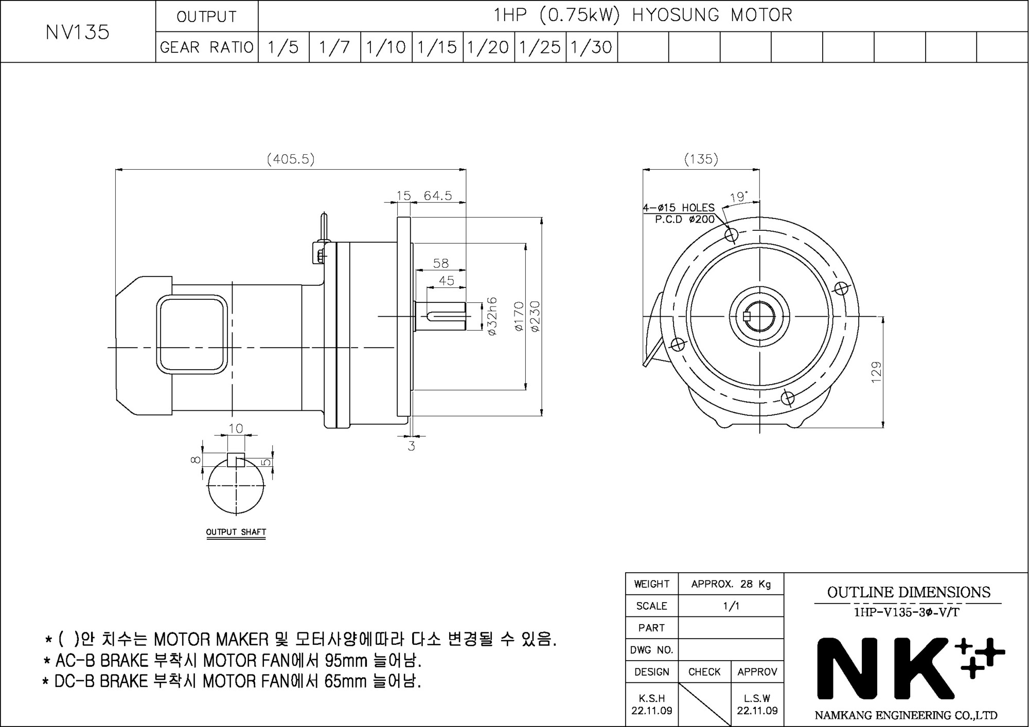
11 0.75KW NH135 5~30 1HP 2D CAD PDF 수평
12 0.75KW NH153 40~120 1HP 2D CAD PDF 수평
13 0.75KW NV135+NH181 150~600 1HP 2D CAD PDF 수평
14 0.75KW NV135 5~30 1HP 2D CAD PDF 수직
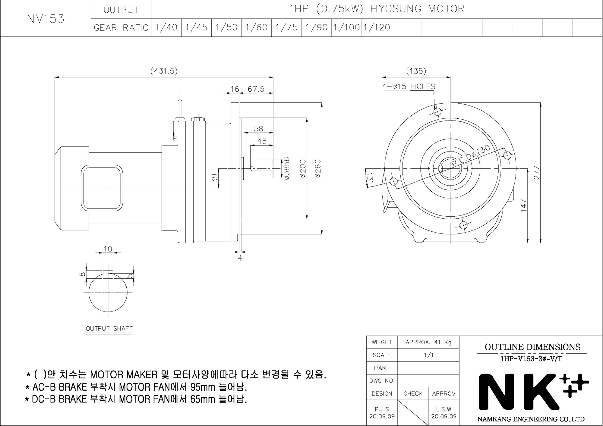
15 0.75KW NV153 40~120 1HP 2D CAD PDF 수직
16 0.75KW NV135+NV181 150~600 1HP 2D CAD PDF 수직
17 1.5KW NH153 5~30 2HP 2D CAD PDF 수평
18 1.5KW NH172 40~120 2HP 2D CAD PDF 수평
19 1.5KW NH205 90 2HP 2D CAD PDF 수평
20 1.5KW NH235 100~120 2HP 2D CAD PDF 수평